外牙 (SxT)
優點:
描述:
描述:
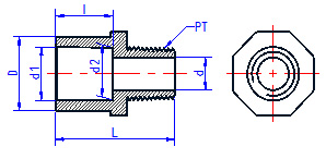
產品規格(單位: MM)

| 公稱尺寸 | 外徑 | 承插口類型 | 承插口尺寸 | ||||
| D | d1 | d2 | I | d | L | PT/inch | |
| DN15 | 30 | 20.3 | 20.1 | 16 | 13.2 | 50 | 14 |
| DN20 | 35 | 25.3 | 25.1 | 19 | 19 | 50.5 | 14 |
| DN25 | 44 | 32.3 | 32.1 | 22 | 24 | 59 | 11 |
| DN32 | 54 | 40.3 | 40.1 | 26 | 32 | 63.4 | 11 |
| DN40 | 60 | 50.3 | 50.1 | 32 | 38 | 67 | 11 |
| DN50 | 73 | 63.3 | 63.1 | 38 | 50 | 73 | 11 |

