大小頭 (SxS)
優點:
描述:
描述:
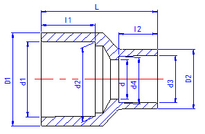
產品規格(單位: MM)

| 公稱尺寸 | 外徑 | 承插口類型 | 承插口尺寸 | |||||||
| D1 | D2 | d1 | d2 | I1 | d3 | d4 | I2 | d | L | |
| DN20*DN15 | 32.0 | 27.0 | 25.3 | 25.1 | 20.0 | 20.3 | 20.1 | 16.0 | 16.0 | 44.0 |
| DN25*DN15 | 40.0 | 27.0 | 32.3 | 32.1 | 24.0 | 20.3 | 20.1 | 16.0 | 16.0 | 52.0 |
| DN25*DN20 | 40.0 | 32.0 | 32.3 | 32.1 | 24.0 | 25.3 | 25.1 | 20.0 | 21.0 | 52.0 |
| DN32*DN15 | 50.0 | 27.0 | 40.3 | 40.1 | 28.0 | 20.3 | 20.1 | 16.0 | 16.0 | 60.0 |
| DN32*DN20 | 50.0 | 32.0 | 40.3 | 40.1 | 28.0 | 25.3 | 25.1 | 20.0 | 21.0 | 60.0 |
| DN32*DN25 | 50.0 | 40.0 | 40.3 | 40.1 | 28.0 | 32.3 | 32.1 | 24.0 | 28.0 | 60.0 |
| DN40*DN15 | 63.0 | 27.0 | 50.3 | 50.1 | 32.0 | 20.3 | 20.1 | 16.0 | 16.0 | 68.0 |
| DN40*DN20 | 63.0 | 32.0 | 50.3 | 50.1 | 32.0 | 25.3 | 25.1 | 20.0 | 21.0 | 68.0 |
| DN40*DN25 | 63.0 | 40.0 | 50.3 | 50.1 | 32.0 | 32.3 | 32.1 | 24.0 | 28.0 | 68.0 |
| DN40*DN32 | 63.0 | 50.0 | 50.3 | 50.1 | 32.0 | 40.3 | 40.1 | 28.0 | 36.0 | 68.0 |
| DN50*DN15 | 75.0 | 27.0 | 63.3 | 60.1 | 38.0 | 20.3 | 20.1 | 16.0 | 16.0 | 80.0 |
| DN50*DN20 | 75.0 | 32.0 | 63.3 | 60.1 | 38.0 | 25.3 | 25.1 | 20.0 | 21.0 | 80.0 |
| DN50*DN25 | 75.0 | 40.0 | 63.3 | 60.1 | 38.0 | 32.3 | 32.1 | 24.0 | 28.0 | 80.0 |
| DN50*DN32 | 75.0 | 50.0 | 63.3 | 60.1 | 38.0 | 40.3 | 40.1 | 28.0 | 36.0 | 80.0 |
| DN50*DN40 | 75.0 | 63.0 | 63.3 | 60.1 | 38.0 | 50.3 | 50.1 | 32.0 | 46.0 | 80.0 |

