異三通 (SxSxS)
優點:
描述:
描述:
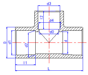
產品規格(單位: MM)

| 公稱尺寸 | 外徑 | 承插口類型 | 承插口尺寸 | |||||||
| D(MM) | d1 | d2 | I1 | d3 | d4 | I2 | d | d0 | L | |
| DN20*DN20*DN15 | 33.00 | 25.30 | 25.10 | 20.00 | 20.30 | 20.10 | 17.00 | 23.00 | 17.00 | 66.00 |
| DN25*DN25*DN15 | 41.00 | 32.30 | 32.10 | 23.00 | 20.30 | 20.10 | 17.00 | 29.00 | 17.00 | 80.00 |
| DN25*DN25*DN20 | 41.00 | 32.30 | 32.10 | 23.00 | 25.30 | 25.10 | 20.00 | 29.00 | 23.00 | 80.00 |
| DN32*DN32*DN15 | 50.00 | 40.30 | 40.10 | 28.00 | 20.30 | 20.10 | 17.00 | 37.00 | 17.00 | 96.00 |
| DN32*DN32*DN20 | 50.00 | 40.30 | 40.10 | 28.00 | 25.30 | 25.10 | 20.00 | 37.00 | 23.00 | 96.00 |
| DN32*DN32*DN25 | 50.00 | 40.30 | 40.10 | 28.00 | 32.30 | 32.10 | 23.00 | 37.00 | 29.00 | 96.00 |
| DN40*DN40*DN15 | 62.00 | 50.30 | 50.10 | 32.00 | 20.30 | 20.10 | 17.00 | 47.00 | 17.00 | 118.00 |
| DN40*DN40*DN20 | 62.00 | 50.30 | 50.10 | 32.00 | 25.30 | 25.10 | 20.00 | 47.00 | 23.00 | 118.00 |
| DN40*DN40*DN25 | 62.00 | 50.30 | 50.10 | 32.00 | 32.30 | 32.10 | 23.00 | 47.00 | 29.00 | 118.00 |
| DN40*DN40*DN32 | 62.00 | 50.30 | 50.10 | 32.00 | 40.30 | 40.10 | 28.00 | 47.00 | 37.00 | 118.00 |
| DN50*DN50*DN15 | 76.00 | 63.30 | 63.10 | 38.00 | 20.30 | 20.10 | 17.00 | 60.00 | 17.00 | 143.00 |
| DN50*DN50*DN20 | 76.00 | 63.30 | 63.10 | 38.00 | 25.30 | 25.10 | 20.00 | 60.00 | 23.00 | 143.00 |
| DN50*DN50*DN25 | 76.00 | 63.30 | 63.10 | 38.00 | 32.30 | 32.10 | 23.00 | 60.00 | 29.00 | 143.00 |
| DN50*DN50*DN32 | 76.00 | 63.30 | 63.10 | 38.00 | 40.30 | 40.10 | 28.00 | 60.00 | 37.00 | 143.00 |
| DN50*DN50*DN40 | 76.00 | 63.30 | 63.10 | 38.00 | 50.30 | 50.10 | 32.00 | 60.00 | 47.00 | 143.00 |
| DN65*DN65*DN25 | 92.00 | 75.30 | 75.10 | 45.00 | 32.30 | 32.10 | 23.00 | 72.00 | 29.00 | 171.00 |
| DN65*DN65*DN32 | 92.00 | 75.30 | 75.10 | 45.00 | 40.30 | 40.10 | 28.00 | 72.00 | 37.00 | 171.00 |
| DN65*DN65*DN40 | 92.00 | 75.30 | 75.10 | 45.00 | 50.30 | 50.10 | 32.00 | 72.00 | 47.00 | 171.00 |
| DN65*DN65*DN50 | 92.00 | 75.30 | 75.10 | 45.00 | 63.30 | 63.10 | 38.00 | 72.00 | 60.00 | 171.00 |
| DN80*DN80*DN25 | 110.60 | 90.30 | 90.10 | 51.00 | 32.30 | 32.10 | 23.00 | 87.10 | 29.00 | 182.00 |
| DN80*DN80*DN32 | 110.60 | 90.30 | 90.10 | 51.00 | 40.30 | 40.10 | 28.00 | 87.10 | 37.00 | 182.00 |
| DN80*DN80*DN40 | 110.60 | 90.30 | 90.10 | 51.00 | 50.30 | 50.10 | 32.00 | 87.10 | 47.00 | 182.00 |
| DN80*DN80*DN50 | 110.60 | 90.30 | 90.10 | 51.00 | 63.30 | 63.10 | 38.00 | 87.10 | 60.00 | 182.00 |
| DN80*DN80*DN65 | 110.60 | 90.30 | 90.10 | 51.00 | 75.30 | 75.10 | 45.00 | 87.10 | 72.00 | 182.00 |
| DN100*DN100*DN25 | 127.00 | 110.40 | 110.10 | 61.00 | 32.30 | 32.10 | 23.00 | 106.10 | 29.00 | 219.00 |
| DN100*DN100*DN32 | 127.00 | 110.40 | 110.10 | 61.00 | 40.30 | 40.10 | 28.00 | 106.10 | 37.00 | 219.00 |
| DN100*DN100*DN40 | 127.00 | 110.40 | 110.10 | 61.00 | 50.30 | 50.10 | 32.00 | 106.10 | 47.00 | 219.00 |
| DN100*DN100*DN50 | 127.00 | 110.40 | 110.10 | 61.00 | 63.30 | 63.10 | 38.00 | 106.10 | 60.00 | 219.00 |
| DN100*DN100*DN65 | 127.00 | 110.40 | 110.10 | 61.00 | 75.30 | 75.10 | 45.00 | 106.10 | 72.00 | 219.00 |
| DN100*DN100*DN80 | 127.00 | 110.40 | 110.10 | 61.00 | 90.30 | 90.10 | 51.00 | 106.10 | 87.10 | 219.00 |

