單片法蘭
優點:
描述:
1) 尺寸: 1/2'' ~ 6''; 20mm ~ 160mm ; DN15 ~ DN150
2) 標準: DIN, JIS
3) 連接: 插口
4) 材質和顏色 : PVC(深灰色), CPVC(淺灰色)
5) 操作溫度: PVC(0~55℃); CPVC(0~95℃)
描述:
1) 尺寸: 1/2'' ~ 6''; 20mm ~ 160mm ; DN15 ~ DN150
2) 標準: DIN, JIS
3) 連接: 插口
4) 材質和顏色 : PVC(深灰色), CPVC(淺灰色)
5) 操作溫度: PVC(0~55℃); CPVC(0~95℃)
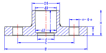
產品規格(單位: MM)

| 尺寸 | D | D1 | C | d | d1 | d2 | H | T | I | n-Φe | ||||
| DIN | JIS | DIN | JIS | DIN | JIS | DIN | JIS | |||||||
| 1/2'(15) | 95.00 | 32.00 | 65.00 | 70.00 | 15.00 | 20.30 | 22.40 | 20.10 | 21.73 | 35.00 | 14.00 | 32.00 | 4-15 | 4-15 |
| 3/4'(20) | 105.00 | 35.00 | 75.00 | 75.00 | 20.00 | 25.30 | 26.45 | 25.10 | 25.69 | 40.00 | 15.00 | 37.00 | 4-15 | 4-15 |
| 1'(25) | 125.00 | 42.00 | 85.00 | 90.00 | 25.00 | 32.30 | 32.55 | 32.10 | 31.70 | 45.00 | 16.00 | 40.00 | 4-19 | 4-19 |
| 1¼'(32) | 140.00 | 52.00 | 100.00 | 100.00 | 32.00 | 40.30 | 38.60 | 40.10 | 37.65 | 49.00 | 16.00 | 44.00 | 4-19 | 4-19 |
| 1½'(40) | 150.00 | 62.00 | 110.00 | 105.00 | 43.00 | 50.30 | 48.70 | 50.10 | 47.74 | 59.00 | 18.00 | 54.00 | 4-19 | 4-19 |
| 2'(50) | 165.00 | 76.00 | 125.00 | 120.00 | 55.00 | 63.30 | 60.80 | 63.10 | 59.78 | 66.00 | 20.00 | 61.00 | 4-19 | 4-19 |
| 2½'(65) | 185.00 | 90.00 | 145.00 | 140.00 | 65.00 | 75.30 | 76.60 | 75.10 | 75.68 | 70.00 | 22.00 | 61.00 | 4-19 | 4-19 |
| 3'(80) | 200.00 | 108.00 | 160.00 | 150.00 | 80.00 | 90.30 | 89.60 | 90.10 | 88.55 | 73.00 | 22.00 | 65.00 | 8-19 | 8-19 |
| 4'(100) | 220.00 | 132.00 | 180.00 | 175.00 | 100.00 | 110.40 | 114.70 | 110.10 | 113.60 | 93.00 | 22.00 | 84.00 | 8-19 | 8-19 |
| 5'(125) | 250.00 | 162.00 | 210.00 | 210.00 | 125.00 | 140.50 | 140.85 | 140.20 | 139.64 | 114.00 | 24.00 | 103.00 | 8-19 | 8-23 |
| 6'(150) | 285.00 | 187.00 | 240.00 | 240.00 | 150.00 | 160.50 | 166.00 | 160.20 | 164.63 | 142.00 | 26.00 | 130.00 | 8-23 | 8-23 |
| 10'(250) | 395.00 | 309.00 | 350.00 | —— | 250.00 | 280.90 | —— | 280.30 | —— | 156.00 | 28.00 | 147.00 | 12-23 | —— |

