Pneumatic Actuated True Union Ball Valve
ADVANTAGES:
1)Actuators pass the impact test, acid test and materials meet SGS standard.
2) Valve opening can be adjusted from 15 degrees to 90 degrees
3) The connection of actuator and valve meets EN ISO 5211 standard
4) The material has been modified by nanometer to improve the pressure resistance and impact resistance.
5) Raw materials add anti ultraviolet absorbent and antioxidant, improving the durability, ageing resistance
6) 100% pressure testing before leaving the factory
DESCRIPTION:
1) Material:UPVC,CPVC,PPH,PVDF
2) Size:1/2''-4'';20mm-110mm;DN15-DN100
3) Standard:ANSI,DIN,JIS
4) Joint End:Socket,Threaded(NPT,PT,BSPF),Fusion,Welding
5) Working Pressure:150 PSI
6) Operating Temperature:UPVC(5~55℃);CPVC&PPH(5~90℃);PVDF(-20~120℃)
7) Actuator's Lowest Air Pressure:45PSI;Max.Operating Pressure: 120PSI
8) Valve body color:UPVC(dark gray),CPVC(light gray),PPH(light yellow), PVDF(ivory)
1)Actuators pass the impact test, acid test and materials meet SGS standard.
2) Valve opening can be adjusted from 15 degrees to 90 degrees
3) The connection of actuator and valve meets EN ISO 5211 standard
4) The material has been modified by nanometer to improve the pressure resistance and impact resistance.
5) Raw materials add anti ultraviolet absorbent and antioxidant, improving the durability, ageing resistance
6) 100% pressure testing before leaving the factory
DESCRIPTION:
1) Material:UPVC,CPVC,PPH,PVDF
2) Size:1/2''-4'';20mm-110mm;DN15-DN100
3) Standard:ANSI,DIN,JIS
4) Joint End:Socket,Threaded(NPT,PT,BSPF),Fusion,Welding
5) Working Pressure:150 PSI
6) Operating Temperature:UPVC(5~55℃);CPVC&PPH(5~90℃);PVDF(-20~120℃)
7) Actuator's Lowest Air Pressure:45PSI;Max.Operating Pressure: 120PSI
8) Valve body color:UPVC(dark gray),CPVC(light gray),PPH(light yellow), PVDF(ivory)
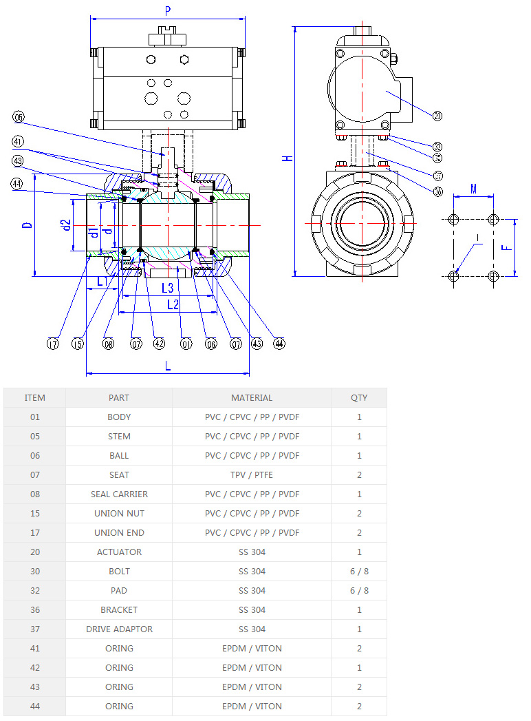
SPECIFICATIONS(UNIT:MM)

| SIZE | d? | d1 | d2 | D | L | L1 | L2 | L3 | P | H | F | M | I | ||||||||
| ANSI | DIN | JIS | CNS | ANSI | DIN | JIS | CNS | ANSI /JIS /CNS | DIN | ANSI /JIS /CNS | DIN | ||||||||||
| 1/2"(15)? | 15 | 21.54 | 20.30 | 22.40 | 22.40 | 21.23 | 20.10 | 21.73 | 21.90 | 54.00 | 104.80 | 92.00 | 22.30 | 16.00 | 60.00 | 52.00 | 155.00 | 176.50 | 31.00 | —— | M6 |
| 3/4"(20)? | 20 | 26.87 | 25.30 | 26.45 | 26.40 | 26.57 | 25.10 | 25.69 | 25.90 | 63.00 | 113.00 | 100.00 | 25.50 | 19.00 | 62.00 | 54.00 | 155.00 | 186.00 | 33.00 | —— | M6 |
| 1"(25)? | 25 | 33.65 | 32.30 | 32.55 | 34.50 | 33.27 | 32.10 | 31.70 | 33.90 | 73.50 | 127.20 | 114.00 | 28.60 | 22.00 | 70.00 | 62.00 | 155.00 | 196.00 | 40.00 | —— | M6 |
| 1?"(32)? | 32 | 42.42 | 40.30 | 38.60 | 42.50 | 42.04 | 40.10 | 37.65 | 41.90 | 84.50 | 142.00 | 130.00 | 32.00 | 26.00 | 78.00 | 70.00 | 168.00 | 235.00 | 52.00 | —— | M8 |
| 1?"(40)? | 40 | 48.56 | 50.30 | 48.70 | 48.60 | 48.11 | 50.10 | 47.74 | 47.90 | 98.00 | 157.00 | 151.00 | 35.00 | 32.00 | 87.50 | 79.50 | 168.00 | 249.00 | 52.00 | —— | M8 |
| 2"(50)? | 50 | 60.63 | 63.30 | 60.80 | 60.60 | 60.17 | 63.10 | 59.78 | 59.90 | 118.00 | 171.00 | 38.00 | 95.00 | 85.00 | 168.00 | 280.00 | 70.00 | —— | M8 | ||
| 2?"(65)? | 65 | 73.38 | 75.30 | 76.60 | 76.70 | 72.85 | 75.10 | 75.68 | 75.90 | 150.00 | 238.50 | 47.00 | 144.50 | 132.50 | 219.00 | 331.00 | 84.00 | 45.00 | M10 | ||
| 3"(80)? | 75 | 89.31 | 90.30 | 89.60 | 89.70 | 88.70 | 90.10 | 88.55 | 88.90 | 169.00 | 268.00 | 51.00 | 166.00 | 150.00 | 249.00 | 362.50 | 84.00 | 45.00 | M10 | ||
| 4"(100)? | 97 | 114.76 | 110.40 | 114.70 | 115.00 | 114.10 | 110.10 | 113.60 | 113.80 | 211.00 | 318.00 | 61.00 | 196.00 | 172.00 | 249.00 | 423.00 | 121.00 | 49.00 | M12 | ||
?

